Se ofrecen con cuerpo y balín de acero inoxidable, cuerpo de latón y balín de acero inoxidable, cuerpo Delrin con balín de acero inoxidable y cuerpo Delrin con balín Derlin. También disponible: Plunger de ajuste a presión con cabeza en ambos lados.

Materiales
| Conversión de Lbf / Newton: | |||||||||
| Numero de parte | Fuerza, N |
(mm) |
(mm) |
(mm) |
(mm) |
(mm) |
|||
|---|---|---|---|---|---|---|---|---|---|
Inicial |
Final |
ØA |
B |
C |
ØD |
ØE |
|||
| HBPFD25 | 1.3 |
2.5 |
2.5 |
5.3 |
0.65 |
2.0 |
2.52 |
||
| HBPFD30 | 2.0 |
4.5 |
3.0 |
7.3 |
0.80 |
2.5 |
3.02 |
||
| HBPFD40 | 2.5 |
7.5 |
4.0 |
9.0 |
0.90 |
3.0 |
4.03 |
||
| HBPFD50 | 3.5 |
8.0 |
5.0 |
10.8 |
1.2 |
4.0 |
5.03 |
||
| HBPFD70 | 4.0 |
12.0 |
7.0 |
14.0 |
2.0 |
6.0 |
7.03 |
||
| HBPFD80 | 6.0 |
15.0 |
8.0 |
18.0 |
2.10 |
6.5 |
8.03 |
||

Materiales
| Conversión de Lbf / Newton: | |||||||||
| Numero de parte | Fuerza, N |
(mm) |
(mm) |
(mm) |
(mm) |
||||
|---|---|---|---|---|---|---|---|---|---|
Inicial |
Final |
ØA |
B |
C |
ØD |
||||
| HSPFS30 | 4.5 |
7.5 |
3.0 |
7.0 |
0.65 |
2.0 |
|||
| HSPFS35 | 6.0 |
14.5 |
3.5 |
9.0 |
0.80 |
2.5 |
|||
| HSPFS40 | 8.0 |
14.0 |
4.0 |
11.0 |
0.90 |
3.0 |
|||
| HSPFS45 | 9.5 |
16.5 |
4.5 |
12.0 |
0.95 |
3.2 |
|||
| HSPFS50 | 11.0 |
18.0 |
5.0 |
13.0 |
1.0 |
3.5 |
|||
| HSPFS55 | 15.5 |
25.0 |
5.5 |
14.0 |
1.20 |
4.0 |
|||
| HSPFS60 | 18.0 |
31.0 |
6.0 |
15.0 |
1.50 |
4.5 |
|||

Materiales
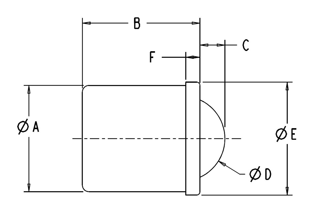
CUERPO DE ACERO INOXIDABLE
| Conversión de Lbf / Newton: | |||||||||
| Numero de parte | Fuerza, N |
(mm) |
(mm) |
(mm) |
(mm) |
(mm) |
(mm) |
||
|---|---|---|---|---|---|---|---|---|---|
Cuerpo Acero inoxidble/Balín de acero inoxidable |
Inicial |
Final |
ØA +0.1 |
B |
C |
ØD |
ØE |
F REF |
|
| HSPFB4 | 2.5 |
6.0 |
4.0 |
5.0 |
1.0 |
3.0 |
4.6 |
0.9 |
|
| HSPFB5 | 3.0 |
6.5 |
5.0 |
6.0 |
1.4 |
4.0 |
5.6 |
0.9 |
|
| HSPFB6 | 5.5 |
11.5 |
6.0 |
7.0 |
1.8 |
5.0 |
6.5 |
1.0 |
|
| HSPFB8 | 7.0 |
12.5 |
8.0 |
9.0 |
2.4 |
6.5 |
8.5 |
1.1 |
|
| HSPFB10 | 8.5 |
18.5 |
10.0 |
13.0 |
3.3 |
8.5 |
11.0 |
1.5 |
|
| HSPFB12 | 12.0 |
26.5 |
12.0 |
16.0 |
4.0 |
10.0 |
13.0 |
2.3 |
|

Materiales
CUERPO DE LATON
| Conversión de Lbf / Newton: | |||||||||
| Numero de parte | Fuerza, N |
(mm) |
(mm) |
(mm) |
(mm) |
(mm) |
(mm) |
||
|---|---|---|---|---|---|---|---|---|---|
Cuerpo de latón/Balín de acero inoxidable |
Inicial |
Final |
ØA +0.1 |
B |
C |
ØD |
ØE |
F REF |
|
| HBPFB4 | 3.0 |
6.0 |
4.0 |
5.0 |
0.8 |
3.0 |
4.5 |
1.0 |
|
| HBPFB5 | 4.0 |
6.5 |
5.0 |
6.0 |
1.0 |
4.0 |
5.5 |
1.0 |
|
| HBPFB6 | 6.0 |
11.5 |
6.0 |
7.0 |
1.6 |
5.0 |
6.5 |
1.0 |
|
| HBPFB8 | 8.0 |
12.5 |
8.0 |
9.0 |
1.9 |
6.5 |
8.5 |
1.0 |
|

Materiales
| Conversión de Lbf / Newton: | ||||||||
| Numero de parte | Fuerza, N |
(mm) |
(mm) |
(mm) |
(mm) |
(mm) |
||
|---|---|---|---|---|---|---|---|---|
Balín de acero inoxidable |
Inicial |
Final |
ØA +0.1 |
B |
C |
ØD |
ØE |
F REF |
| HDPFB4 | 3.0 |
6.5 |
4.0 |
5.0 |
0.8 |
3.0 |
4.6 |
1.0 |
| HDPFB5 | 6.0 |
9.4 |
5.0 |
6.0 |
1.0 |
4.0 |
5.6 |
1.0 |
| HDPFB6 | 6.2 |
12.6 |
6.0 |
7.0 |
1.6 |
5.0 |
6.5 |
1.0 |
| HDPFB8 | 10.0 |
20.4 |
8.0 |
9.0 |
1.9 |
6.5 |
8.5 |
1.0 |
| HDPFB10 | 11.9 |
22.3 |
10.0 |
13.5 |
2.4 |
8.5 |
11.0 |
1.5 |
| HDDPFB12 | 14.0 |
25.5 |
12.0 |
16.0 |
3.3 |
10.0 |
13.0 |
1.5 |

Materiales
| Conversión de Lbf / Newton: | ||||||||
| Numero de parte | Fuerza, N |
(mm) |
(mm) |
(mm) |
(mm) |
(mm) |
||
|---|---|---|---|---|---|---|---|---|
Balín Delrin |
Inicial |
Final |
ØA +0.1 |
B |
C |
ØD |
ØE |
F REF |
| HDDPFB4 | 2.5 |
6.0 |
4.0 |
5.0 |
0.8 |
3.0 |
4.6 |
1.0 |
| HDDPFB5 | 6.0 |
9.4 |
5.0 |
6.0 |
1.0 |
4.0 |
5.6 |
1.0 |
| HDDPFB6 | 6.5 |
13.0 |
6.0 |
7.0 |
1.6 |
5.0 |
6.5 |
1.0 |
| HDDPFB8 | 8.0 |
18.0 |
8.0 |
9.0 |
1.9 |
6.5 |
8.5 |
1.0 |