|
|
NOVITÀ! Gli elementi di livellamento della serie ad alto valore racchiudono tutta la tecnologia affidabile e di comprovata efficacia Vlier con una scelta ancora più ampia grazie all'aggiunta del NUOVO livellatore in acciaio con finitura in nichel.
Gli elementi di livellamento della serie ad alto valore sono disponibili sia con vite prigioniera che con attacco, con o senza disco in elastomero.
In acciaio e acciaio inox
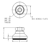
Gli elementi di livellamento HI-VALUE in acciaio e acciaio inox con attacco Vlier ruotano di 15° rispetto all’asse per adattarsi alle superfici irregolari e livellare macchine utensili, armadi rack per apparecchiature elettroniche, banchi da lavoro ecc. Sono indicati per applicazioni con un'installazione a vita prigioniera preesistente. Di serie sono zincati e provvisti di finitura in oro cromato. Per ordinarli con la nuova finitura cromata in acciaio e nichel, basta aggiungere un "3" finale al codice articolo.
Gli elementi di livellamento in acciaio inox offrono il vantaggio di avere un design interamente in acciaio inox per la massima protezione contro la ruggine e la corrosione.
Caratteristiche specifiche
- Sfera temprato vite prigioniera e palla integralmente lavorati
- Supporto di base di grande diametro
- Rotazione di 15° rispetto all’asse
|

|
| Serie alto valore a basso costo - con disco in elastomero - Metrici |
con disco in elastomero

|
|
|
|
| Part No. |
Max
Carico
KG
(lbs) |
A
Thread |
B
Hex
MM
(in) |
C
Height to Hex
(+/- .02)
|
D
Pad Dia.
in
|
E
in |
M
Dia.
in |
acciaio
|
acciaio inox |
| HVEPM6B |
HVESSPM6B |
240
(
525) |
M6 x 1-6h |
10
(.394) |
13.5
(.53) |
19.1 (.75) |
2.8 (.11) |
5.8 (.23) |
| HVEPM8B |
HVESSPM8B |
375
(
825) |
M8 x 1.25 X 6h |
13
(.512) |
17.8 (.70) |
25.4 (1.00) |
3.8 (.15) |
0.8 (.31) |
| HVEPM10B |
HVESSPM10B |
1273
(2800) |
M10 x 1.5-6h |
17
(.669) |
22 (.88) |
32 (1.25) |
5 (.17) |
9.6 (.38) |
| HVEPM12B |
HVESSPM12B |
1705
(3750) |
M12 x 1.75-6h |
19
(.748) |
29 (1.13) |
48 (1.88) |
6 (.25) |
11 (.44) |
| HVEPM16B |
HVESSPM16B |
2046
(4500) |
M16 x 2-6h |
24
(.945) |
32 (1.25) |
64 (2.50) |
8 (.31) |
11 (.44) |
| HVEPM20B |
HVESSPM20B |
2455
(5400) |
M20 x 2.5-6h |
30
(1.181) |
38 (1.50) |
76 (3.00) |
13 (.50) |
15.7 (.62) |
| HVEPM24B |
HVESSPM24B |
7500
(16500) |
M24 x 3-6h |
36
(1.417) |
48 (1.88) |
102 4.00 |
10 (.40) |
20.5 (.81) |
*Aggiungere 1/8" all’altezza del disco per avere il disco. |
| Serie alto valore a basso costo - Con antisdrucciolevole elastomero Pad - Metrici |
Con antisdrucciolevole elastomero Pad
 |
|
|
|
| Part No. |
Max
Carico
KG
(lbs) |
A
Thread |
B
Hex
mm
(in) |
C
Height to Hex
+/- .02)
|
D
Dia. |
E
in. |
F
Lunghezza del bullone |
In acciaio
|
Acciaio inox |
| HVEPM6S |
HVESSPM6S |
240
(525) |
M6 x 1-6g |
10
(.394) |
13.5 (.53) |
19.1 (.75) |
2.8 (.11) |
25.4 (1) |
| HVEPM8S |
HVESSPM8S |
375
(825) |
M8 x 1.25-6g
|
13
(.512) |
17.8 (.70) |
25.4 (1.00) |
3.8 (.15) |
31.8 (1.25) |
| HVEPM10S |
HVESSPM10S |
1273
(2800) |
M10 x 1.5-6g
|
17.0
(.669) |
22.4 (.88) |
31.8 (1.25) |
4.3 (.17) |
51 (2.00) |
| HVEPM12S |
HVESSPM12S |
1750
(3750) |
M12 x 1.75-6g
|
19.0
(.748) |
28.7 (1.13) |
47.8 (1.88) |
6.4 (.25) |
51 (2.00) |
| HVEPM16S |
HVESSPM16S |
2046
(4500) |
M16 x 2-6g
|
24.0
(.945) |
31.8 (1.25) |
63.5 (2.50) |
7.9 (.31) |
51 (2.00) |
| HVEPM20S |
HVESSPM20S |
2455
(5400) |
M20 x 2.5-6g
|
30
(1.181) |
38.1 (1.50) |
76.2 (3.00) |
12.7 (.50) |
51 (2.00) |
| HVEPM24S |
HVESSPM24S |
7500
(16500) |
M24 x 3-6g
|
36
(1.417) |
47.8 (1.88) |
101.6 (4.00) |
10.2 (.40) |
108 (4.25) |
*Aggiungere 1/8" all’altezza del disco per avere il disco. |
| |
|
| CON ATTACCO HI-VALUE - senza disco in elastomero metrico |
Senza disco in elastomero antiscivolo

|
|
|
|
| Part No. |
Max
Carico
KG
(lbs) |
A
Thread |
B
Hex |
C
Height to Hex
+/- .02) |
D
Dia. |
E
in |
M
Dia. |
In acciaio
|
Acciaio inox |
| HVPM6B |
HVSSPM6B |
318
(700) |
M6 x 1-6h |
10
(.394) |
13.5 (.53) |
19.1 (.75) |
2.8 (.11) |
5.8 (/23) |
| HVPM8B |
HVSSPM8B |
500
(1100) |
M8 x 1.25 X 6h |
13
(.512) |
17.8 (.70) |
25.4 (1.00) |
3.8 (.15) |
0.8 (.31) |
| HVPM10B |
HVSSPM10B |
1705
(3750) |
M10 x 1.5-6h |
17
(.669) |
22 (.88) |
32 (1.25) |
5 (.17) |
9.6 (.38) |
| HVPM12B |
HVSSPM12 |
2273
(5000) |
M12 x 1.75-6h |
19
(.748) |
29 (1.13) |
48 (1.88) |
6 (.25) |
11 (.44) |
| HVPM16B |
HVSSPM16B |
2727
(6000) |
M16 x 2-6h |
24
(.945) |
32 (1.25) |
64 (2.50) |
8 (.31) |
11 (.44) |
| HVPM20B |
HVSSPM20B |
3272
(7200) |
M20 x 2.5-6h |
30
(1.181) |
38 (1.50) |
76 (3.00) |
13 (.50) |
15.7 (.62) |
| HVPM24B |
HVSSPM24B |
9979
(22000) |
M24 x 3-6h |
36
(1.417) |
48 (1.88) |
102 (4.00) |
10 (9.40) |
20.5 (.81) |
| CON ATTACCO HI-VALUE - senza disco in elastomero metrico |
Senza disco in elastomero antiscivolo

|
|
| Part No. |
Max
Carico
KG
(lbs) |
A
Thread |
B
Hex
mm
(in) |
C
Height to Hex
+/- .02) |
D
Dia. |
E
in. |
F
Lunghezza del bullone |
In acciaio
|
Acciaio inox |
| HVPM6S |
HVSSPM6S |
318
(700) |
M6 x 1-6g |
10
(.394) |
13.5 (.53) |
19.1 (.75) |
2.8 (.11) |
25.4 (1.00) |
| HVPM8S |
HVSSPM8S |
500
(1100) |
M8 x 1.25-6g |
13
(.512) |
17.8 (.70) |
25.4 (1.00) |
3.8 (.15) |
31.8 (1.25) |
| HVPM10S |
HVSSPM10S |
1705
(3750) |
M10 x 1.5-6g |
17
(.669) |
22.4 (.88) |
31.8 (1.25) |
4.3 (.17) |
51 (2.00) |
| HVPM12S |
HVSSPM12S |
2273
(5000) |
M12 x 1.75-6g |
19
(.748) |
28.7 (1.13) |
47.8 (1.88) |
6.4 (.25) |
51 (2.00) |
| HVPM16S |
HVSSPM16S |
2727
(6000) |
M16 x 2-6g |
24
(.945) |
31.8 (1.25) |
63.5 (2.50) |
7.9 (.31) |
51 (2.00) |
| HVPM20S |
HVSSPM20S |
3272
(7200) |
M20 x 2.5-6g |
30
(1.181) |
38.1 (1.50) |
76.2 (3.00) |
12.7 (.50) |
51 (2.00) |
| HVPM24S |
HVSSPM24S |
9979
(22000) |
M24 x 3-6g |
36
(1.417) |
47.8 (1.88) |
101.6 (4.00) |
10.2 (.40) |
108 (4.25) |
|
HI-VALUE STUD STYLE - con disco in elastomero  |
Con disco in elastomero

|
|
|
|
| Part No. |
Max
Carico
(lbs) |
A
Thread |
B
Hex |
C*
Height to Hex |
D
Diametro del disco |
E |
F
Lunghezza del bullone |
Acciaio cromato oro |
Finitura in acciaio e nichel |
Acciaio inox/
Passivato |
| HVEP298S |
HVEP298S3 |
HVESSP298S |
525 |
10-32 |
3/8 |
0.53 |
3/4 |
0.11 |
1 |
| HVEP299S |
HVEP299S3 |
HVESSP299S |
525 |
10-32 |
3/8 |
0.53 |
3/4 |
0.11 |
2 |
| HVEP300S |
HVEP300S3 |
HVESSP300S |
800 |
1/4-20 |
1/2 |
0.70 |
1 |
0.15 |
1-1/4 |
| HVEP301S |
HVEP301S3 |
HVESSP301S |
800 |
1/4-20 |
1/2 |
0.70 |
1 |
0.15 |
2-1/2 |
| HVEP304S |
HVEP304S3 |
HVESSP304S |
2,800 |
3/8-16 |
5/8 |
7/8 |
1-1/4 |
0.17 |
2 |
| HVEP305S |
HVEP305S3 |
HVESSP305S |
2,800 |
3/8-16 |
5/8 |
7/8 |
1-1/4 |
0.17 |
4 |
| HVEP306S |
HVEP306S3 |
HVESSP306S |
3,750 |
1/2-20 |
3/4 |
1-1/8 |
1-7/8 |
0.25 |
2 |
| HVEP307S |
HVEP307S3 |
HVESSP307S |
3,750 |
1/2-20 |
3/4 |
1-1/8 |
1-7/8 |
0.25 |
4 |
| HVEP308S |
HVEP308S3 |
HVESSP308S |
4,500 |
5/8-11 |
7/8 |
1-1/4 |
2-1/2 |
0.31 |
2 |
| HVEP309S |
HVEP309S3 |
HVESSP309S |
4,500 |
5/8-11 |
7/8 |
1-1/4 |
2-1/2 |
0.31 |
4 |
| HVEP310S |
HVEP310S3 |
HVESSP310S |
5,400 |
3/4-10 |
1-1/16 |
1-1/2 |
3 |
0.50 |
2 |
| HVEP311S |
HVEP311S3 |
HVESSP311S |
5,400 |
3/4-10 |
1-1/16 |
1-1/2 |
3 |
0.50 |
4 |
| HVEP312S |
HVEP312S3 |
HVESSP312S |
16,400 |
1-8 |
1-3/8 |
1-7/8 |
4 |
0.40 |
4-1/4 |
| HVEP313S |
HVEP313S3 |
HVESSP313S |
16,400 |
1-8 |
1-3/8 |
1-7/8 |
4 |
0.40 |
8 |
*Aggiungere 1/8" all’altezza del disco per avere il disco. |
HI-VALUE STUD STYLE - senza disco in elastomero  |
Senza disco in elastomero antiscivolo  |
|
|
|
| Part No. |
Max
Carico
(lbs) |
A
Thread |
B
Hex |
C
Height to Hex |
D
Diametro del disco |
E |
F
Lunghezza del bullone |
Acciaio cromato oro |
Finitura in acciaio e nichel |
Acciaio inox/
Passivato |
| HVP298S |
HVP298S3 |
HVSSP298S |
700 |
10-32 |
3/8 |
0.53 |
3/4 |
0.11 |
1 |
| HVP299S |
HVP299S3 |
HVSSP299S |
700 |
10-32 |
3/8 |
0.53 |
3/4 |
0.11 |
2 |
| HVP300S |
HVP300S3 |
HVSSP300S |
1,100 |
1/4-20 |
1/2 |
0.70 |
1 |
0.15 |
1-1/4 |
| HVP301S |
HVP301S3 |
HVSSP301S |
1,100 |
1/4-20 |
1/2 |
0.70 |
1 |
0.15 |
2-1/2 |
| HVP304S |
HVP304S3 |
HVSSP304S |
3,750 |
3/8-16 |
5/8 |
7/8 |
1-1/4 |
0.17 |
2 |
| HVP305S |
HVP305S3 |
HVSSP305S |
3,750 |
3/8-16 |
5/8 |
7/8 |
1-1/4 |
0.17 |
4 |
| HVP306S |
HVP306S3 |
HVSSP306S |
5,000 |
1/2-20 |
3/4 |
1-1/8 |
1-7/8 |
0.25 |
2 |
| HVP307S |
HVP307S3 |
HVSSP307S |
5,000 |
1/2-20 |
3/4 |
1-1/8 |
1-7/8 |
0.25 |
4 |
| HVP308S |
HVP308S3 |
HVSSP308S |
6,000 |
5/8-11 |
7/8 |
1-1/4 |
2-1/2 |
0.31 |
2 |
| HVP309S |
HVP309S3 |
HVSSP309S |
6,000 |
5/8-11 |
7/8 |
1-1/4 |
2-1/2 |
0.31 |
4 |
| HVP310S |
HVP310S3 |
HVSSP310S |
7,200 |
3/4-10 |
1-1/16 |
1-1/2 |
3 |
0.50 |
2 |
| HVP311S |
HVP311S3 |
HVSSP311S |
7,200 |
3/4-10 |
1-1/16 |
1-1/2 |
3 |
0.50 |
4 |
| HVP312S |
HVP312S3 |
HVSSP312S |
22,000 |
1-8 |
1-3/8 |
1-7/8 |
4 |
0.40 |
4-1/4 |
| HVP313S |
HVP313S3 |
HVSSP313S |
22,000 |
1-8 |
1-3/8 |
1-7/8 |
4 |
0.40 |
8 |
|
Acciaio inox Finish — Passivato natural finish
In acciaio Finish — gold chromate or nickel finish
For NEW In acciaio Nickel Chromate: Add '3' to end of In acciaio part no. |
Vlier HI-VALUE Socket Style In acciaio and Acciaio inox Leveling Devices swivel 15° off the centerline to adjust to uneven surfaces and level machine tools, electronic racks, benches, etc. For applications with an existing stud installation. Zinc plate with gold chromate finish is standard add '3' to end of part number for new In acciaio Nickel Chromate finish.
|
HI-VALUE SOCKET STYLE - with Elastomer Pad  |
With Non-Skid Elastomer Pad

|
|
|
|
| Part No. |
Max
Carico
(lbs) |
A
Thread |
B
Hex |
C
Height to Hex |
D
Diametro del disco |
E |
F
Lunghezza del bullone |
In acciaio
Gold
Chromate |
In acciaio
Nickel
Finish |
Stainless
In acciaio/
Passivato |
| HVEP298B |
HVEP298B3 |
HVESSP298B |
525 |
10-32 |
3/8 |
0.53 |
3/4 |
0.11 |
0.23 |
| HVEP300B |
HVEP300B3 |
HVESSP300B |
800 |
1/4-20 |
1/2 |
0.70 |
1 |
0.15 |
5/16 |
| HVEP304B |
HVEP304B3 |
HVESSP304B |
2800 |
3/8-16 |
5/8 |
7/8 |
1-1/4 |
0.17 |
3/8 |
| HVEP306B |
HVEP306B3 |
HVESSP306B |
3,750 |
1/2-20 |
3/4 |
1-1/8 |
1-7/8 |
0.25 |
7/16 |
| HVEP308B |
HVEP308B3 |
HVESSP308B |
4,500 |
5/8-11 |
7/8 |
1-1/4 |
2-1/2 |
0.31 |
7/16 |
| HVEP310B |
HVEP310B3 |
HVESSP310B |
5,400 |
3/4-10 |
1-1/16 |
1-1/2 |
3 |
0.50 |
5/8 |
| HVEP312B |
HVEP312B3 |
HVESSP312B |
16,400 |
1-8 |
1-3/8 |
1-7/8 |
4 |
0.40 |
13/16 |
*Aggiungere 1/8" all’altezza del disco per avere il disco.
HI-VALUE SOCKET STYLE - without Elastomer Pad  |
Senza disco in elastomero antiscivolo

|
|
| Part No. |
Max
Carico
(lbs) |
A
Thread |
B
Hex |
C
Height to Hex |
D
Diametro del disco |
E | F
Lunghezza del bullone |
In acciaio
Gold
Chromate |
In acciaio
Nickel
Finish |
Stainless
In acciaio/
Passivato |
| HVP298B |
HVP298B3 |
HVSSP298B |
700 |
10-32 |
3/8 |
0.53 |
3/4 |
0.11 |
0.23 |
| HVP300B |
HVP300B3 |
HVSSP300B |
1,100 |
1/4-20 |
1/2 |
0.70 |
1 |
0.15 |
5/16 |
| HVP304B |
HVP304B3 |
HVSSP304B |
3,750 |
3/8-16 |
5/8 |
7/8 |
1-1/4 |
0.17 |
3/8 |
| HVP306B |
HVP306B3 |
HVSSP306B |
5,000 |
1/2-20 |
3/4 |
1-1/8 |
1-7/8 |
0.25 |
7/16 |
| HVP308B |
HVP308B3 |
HVSSP308B |
6,000 |
5/8-11 |
7/8 |
1-1/4 |
2-1/2 |
0.31 |
7/16 |
| HVP310B |
HVP310B3 |
HVSSP310B |
7,200 |
3/4-10 |
1-1/16 |
1-1/2 |
3 |
0.50 |
5/8 |
| HVP312B |
HVP312B3 |
HVSSP312B |
22,000 |
1-8 |
1-3/8 |
1-7/8 |
4 |
0.40 |
13/16 |
Acciaio inox Finish — Passivato natural finish
In acciaio Finish — gold chromate or nickel finish
For NEW In acciaio electroless nickel finish: Add '3' to end of In acciaio part no.
|
|
 |